Зонд Juno получил самые детальные снимки поверхности Европы
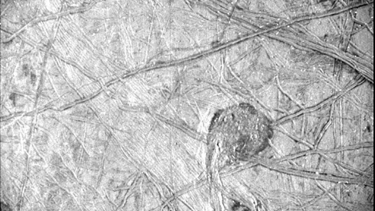
Команда миссии Juno изучает новые снимки, которые удалось получить во время сближения аппарата с Европой — спутником Юпитера. Для того чтобы получить фотографии были задействованы все научные иструменты, в том числе некоторые из них использовались не совсем по назначетию. Так например, Stellar Reference Unit (SRU) — это камера, используемая навигационной системой корабля для ориентации по звездам.
С помощью SRU были получены самые детальные снимки поверхности Европы. Представленный здесь снимок охватывает территорию примерно 150 на 200 километров. Можно заметить борозды, покрывающие ледяную поверхность Европы, а также ряд интересных рельефных образований: двойные гребни, темные участки, вероятно, связанные с выбросами материала на поверхность, а также фигуру, напоминающую ноту, размером 67 на 37 километров. Белые точки на изображении — это артефакты, вызванные воздействием на камеру высокоэнергетических частиц из интенсивной радиационной среды вокруг Европы.
Данный снимок был сделан SRU, когда аппарат находился на расстоянии 412 километров от поверхности, разрешение составило от 256 до 340 метров на пиксель. Во время съемки зонд летел на скорости около 24 км/с относительно Европы. SRU делает черно-белые снимки. Высокая чувствительность камеры позволила подробно сфотографировать этот участок на ночной стороне Европы — освещение обеспечено лишь отраженным от Юпитера светом.
В ближайшие недели команда Juno будет собирать и анализировать не только данные научных инструментов по Европе, но и по 45-му сближению с Юпитером, которое случилось через 7,5 часа после пролета мимо Европы.
